Tailored Electric Boat Systems for Every Voyage
OUR SOLUTIONS DELIVER WHISPER-QUITE PERFORMANCE, ZERO EMISSIONS,
AND MAXIMUM DFFICIENCY, ALL CUSTOMIZED TO YOUR VESSEL'S
SPECIFICATIONS AND CRUISING STYLE.
Clean Energy. Endless Adventure
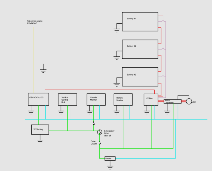
BASED ON YOUR NEEDS, WE CAN DESIGN A COMPLETE SYSTEM--FROM MOTOR TO
BATTERY MANAGEMENT--THAT GIVES YOU CLEAN POWER AND RELIABLE RANGE.
Custom Electric Propulsion Case
WE DESIGN AND DELIVER CUSTOM ELECTRIC BOAT SOLUTIONS FOR CLIENTS AROUND THE WORLD,
WITH PROJECTS ALREADY POERATING IN AUSTRALIA, FINLAND, NORWAY, EGYPT, AND BEYOND.



